Что такое даташит
Даташит (или datasheet) — это техническая документация, содержащая подробную информацию о характеристиках, параметрах и функциональности электронного компонента. Чаще всего речь идет о микросхемах, транзисторах, резисторах и других элементах, применяемых в электронике и промышленной автоматике.
По сути, даташит — это "паспорт" компонента. Даташит для инженеров, техников и специалистов по закупке помогает понять, как использовать компонент, в каких условиях он работает корректно, и с чем он совместим. Например, даташит для микросхем Texas Instruments содержит данные о входном напряжении, выходном токе, рабочей температуре, типе корпуса, цоколевке и других параметрах.
Содержание статьи
[Скрыть]Зачем нужен даташит
Информация для проектирования
При проектировании схем электрические параметры, а именно входное и выходное напряжение, ток, частота, мощность, критичны. Например, при выборе транзистора Infineon для преобразователя частоты важно учитывать максимально допустимый ток и тепловые характеристики, указанные в даташите. Также важно учитывать допустимое напряжение пробоя, коэффициент усиления и сопротивление в открытом состоянии.
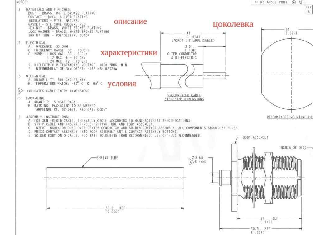
Руководство по монтажу
Даташит включает информацию о цоколевке (расположение выводов), типе корпуса (например, SMD, TO-220), и рекомендации по пайке. Это позволяет обеспечить правильную установку компонента на печатную плату и избежать ошибок при монтаже. Примером может служить справочный лист на интегральную схему, где указывается температура пайки и рекомендуемая длительность термического воздействия.
Обеспечение совместимости
С помощью datasheet можно проверить совместимость компонента с другими элементами схемы. Например, при интеграции датчика с ПЛК Siemens важно убедиться, что уровни напряжения и токов соответствуют требованиям контроллера. Это особенно актуально при разработке интерфейсных модулей и аналоговых входов.
Структура даташита
Основные разделы
- Общее описание: краткое введение, объясняющее назначение компонента и его основные особенности.
- Электрические характеристики: таблицы с параметрами, такими как входное напряжение, выходной ток, допустимая мощность.
- Цоколевка и корпус: схемы и чертежи, показывающие расположение выводов и размеры корпуса.
- Маркировка компонента: в ней содержится тип даташита, характеристики и производителя при визуальном осмотре или в ходе приёмки.
- Условия эксплуатации: рабочая температура, уровень влажности, допустимые механические нагрузки.
- Тепловые характеристики: тепловое сопротивление, допустимый перегрев, рекомендации по отводу тепла.
Дополнительные данные
- Графики зависимостей: например, зависимость выходного тока от температуры или вольт-амперная характеристика.
- Рекомендации по применению: типовые схемы включения, защита от перенапряжений.
- Сертификация и надежность компонента: информация о проведенных испытаниях и стандартах (RoHS, ISO и пр.).
Виды даташитов
По типу компонента
- Микросхемы: datasheet на микроконтроллеры Texas Instruments включает описание регистров, таймеров и интерфейсов.
- Полупроводники: даташит для транзисторов включает критически важные параметры: допустимый ток, напряжение пробоя, тепловое сопротивление. Например, документация от ON Semiconductor содержит таблицы с характеристиками и графики теплового режима работы.
- Пассивные компоненты: резисторы, дроссели, конденсаторы Vishay включают параметры номинального сопротивления, емкости и допусков.
По формату
- PDF: PDF документация остаётся наиболее распространённым форматом — её можно быстро скачать, распечатать или встроить в технический проект. Большинство производителей публикуют даташиты именно в виде PDF-файлов.
- Интерактивные: современные версии на сайтах производителей с фильтрами, сравнением и визуализацией. Некоторые платформы предоставляют возможность генерации справки по индивидуально выбранным характеристикам.
Как читать даташит
Понимание ключевых параметров
Первое, на что обращают внимание — номинальные значения: входное напряжение, максимальный ток, допустимая частота. Например, при выборе микросхемы от STMicroelectronics важно учитывать максимальный выходной ток и логические уровни. Также стоит уделить внимание таким параметрам, как потребляемый ток в дежурном режиме, порог переключения и сопротивление в открытом состоянии.
Анализ графиков и таблиц
Графики помогают оценить поведение компонента в реальных условиях. Например, график теплового сопротивления IGBT-модуля показывает, как температура влияет на производительность и надежность. Для прецизионных устройств важно учитывать температурные дрейфы и шумовые характеристики, особенно в чувствительной электронике.
Изучение рекомендаций
Даташиты часто содержат типовые схемы, методы защиты от помех и рекомендации по PCB-дизайну, которые необходимо учитывать при проектировании высокочастотных устройств и силовой электроники. Также в datasheet могут указываться конкретные компоненты, рекомендованные для совместного применения.
Где найти даташиты
Для удобного поиска даташита на нужный компонент можно использовать как сайты производителей (Analog Devices, Infineon, STMicroelectronics), так и агрегаторы вроде alldatasheet.com или datasheet.su.
Компания Siderus предоставляет доступ к актуальным даташитам на все поставляемые компоненты. Уточнить характеристики, получить datasheet на русском языке и помощь в интерпретации документации можно, обратившись к специалистам Siderus.
Применение даташита в промышленности
- Автоматизация: выбор микроконтроллеров для ПЛК (например, STM32 или Renesas) по datasheet позволяет рассчитать мощность, контролировать температуру и обеспечить совместимость с модулями ввода-вывода. Это особенно актуально при построении SCADA-систем и цифровых интерфейсов.
- Силовая электроника: подбор MOSFET или IGBT транзисторов для инверторов, где требуется высокая надежность и тепловая устойчивость. Важно учитывать входную емкость, время переключения и тип корпуса (например, D2PAK, TO-247).
- Датчики и системы контроля: применение документации от Omron для настройки аналоговых и цифровых датчиков, включая таблицы с выходными сигналами, временными диаграммами и схемами подключения.
Как выбрать компоненты по даташиту
Ключевые параметры
- Совместимость с системой: уровни напряжения, логика, тип интерфейса.
- Рабочие условия: температура, влажность, вибрации.
- Номиналы и допуски: важны для пассивных компонентов, дополнительное внимание стоит уделить температурному коэффициенту и классу допуска.
Пример: выбор конденсатора Murata для силового модуля по емкости (470 мкФ), рабочему напряжению (50 В) и температуре эксплуатации (-40...+105°C). Также учитывается тип диэлектрика, импеданс и частотная характеристика.
Рекомендации
- Проверяйте наличие сертификаций (CE, RoHS, ISO). Эти стандарты подтверждают соответствие компоненту требованиям по безопасности, экологическим нормам и качеству изготовления. Отсутствие нужной сертификации может повлечь за собой отказ изделия в условиях промышленной эксплуатации или невозможность его применения в определённых отраслях.
- Обратитесь в Siderus для получения актуальных datasheet и консультации по подбору совместимых компонентов. Специалисты компании помогут не только с техническими характеристиками, но и подберут аналог при отсутствии нужной позиции.
Роль Siderus в работе с даташитами
Компания Siderus предоставляет доступ к полной технической документации для всего ассортимента оборудования и даташит электронных компонентов. Мы сотрудничаем напрямую с производителями, такими как Texas Instruments, Analog Devices, Infineon, Omron, Vishay и другими. Наши технические специалисты:
- помогут с выбором компонентов по даташиту;
- проверят совместимость с вашей системой;
- предоставят актуальные datasheet на русском языке;
- уточнят электрические параметры, рабочую температуру, тип корпуса и цоколевку;
- оценят надежность компонента и срок его службы в заданных условиях эксплуатации.
Отправьте вашу заявку на почту info@siderus.ru — мы подготовим для вас коммерческое предложение с ценой и сроками поставки от производителя. Звоните: +7 (499) 647-47-07.
